Creep: Understanding High-Temperature Damage
- matintegrity
- Apr 1, 2023
- 3 min read
When metal components are subjected to high temperatures, they can undergo time-dependent deformation under load, even below their elastic yield stress. This phenomenon is known as creep and can result in damage to the material that can ultimately lead to failure.

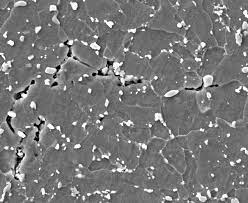
The first stage of creep damage occurs when stress at high temperatures promotes void formation at grain boundary triple points. Over time, these voids can grow to form fissures and eventually cracks, which can coalesce and cause failure.
It's worth noting that the gross deformation associated with tensile overloading is not observed in creep damage.
The appearance or morphology of creep damage varies depending on the stage of damage. In the initial stages, creep voids typically show up at the grain boundaries and can only be identified through scanning electron microscope (SEM) metallography. As the damage progresses, the voids grow into microfissures and eventually into cracks. When the fissures run the entire length of a grain boundary, they can be seen by standard optical microscope metallography, although they may not necessarily be easy to find.
At temperatures well above the threshold limit, noticeable deformation may be observed. For instance, heater tubes can suffer long-term creep damage and exhibit significant, measurable bulging before rupture occurs. The amount of deformation before fracture depends on the material and the combination of temperature and stress level.
In vessels and piping, creep cracking can occur where high metal temperatures and stress concentrations occur together, such as near major structural discontinuities like pipe tee joints and vessel nozzles, as well as at weld flaws.
To prevent creep damage and stress rupture, it's important to understand the threshold limit temperature for each alloy, monitor the operating temperature and stress level, and conduct regular inspections to identify early signs of damage. Proper design and installation of components can also help prevent stress concentrations and minimize the risk of damage.
Creep Damage: Understanding the Dominant Factors in the High-Pressure Steam Pipes Case Study
High-pressure steam pipes, as a crucial part of industrial facilities, inevitably suffer from the reciprocal interaction of high pressure and temperature during long-period service, causing deformation and cracking. This case study investigated the dominant influence factor on bulging and cracking high-pressure steam pipes. To understand the complex interplay of material properties and service conditions, a comprehensive analysis was conducted using macro visual inspection, chemical composition analysis, metallographic microscopy, scanning electron microscopy (SEM), and energy dispersive spectroscopy (EDS).
Upon analyzing the bulging and cracking samples, it was found that pearlite spheroidization had no effect on the bulging and cracking phenomenon. However, the simulation results revealed that the overlength distance between the steam drain valve and the main steam pipe generated alternating thermal stress and subsequent thermal fatigue.
Von-Mises modelling illustrated that stress concentration located at the pipe orifice's fillet weld caused the final creep cracking.
In the case of the high-pressure steam pipes, the dominant factor was the creep/fatigue interaction. The steam pipes were subjected to high-pressure steam and elevated temperature for a prolonged period, leading to creep deformation. Additionally, the alternating thermal stress caused by the overlength distance between the steam drain valve and the main steam pipe resulted in thermal fatigue. The combination of creep deformation and thermal fatigue led to the final creep cracking.
To prevent similar incidents in the future, it is crucial to consider the following factors:
Proper design: The design of high-pressure steam pipes should consider the potential for creep deformation and thermal fatigue. The distance between the steam drain valve and the main steam pipe should be minimized to reduce the potential for thermal stress.
Material selection: The material used for high-pressure steam pipes should be selected based on the service conditions, including temperature and stress level. The material should be resistant to creep deformation and thermal fatigue.
Maintenance: Regular inspection and maintenance of high-pressure steam pipes are essential to identify any potential issues and prevent failure.
In conclusion, the high-pressure steam pipes case study illustrates the complex interplay between material properties and service conditions that can lead to creep damage. Understanding the dominant factors and implementing appropriate measures can prevent similar incidents and ensure the safe operation of industrial facilities.
References:
API ANSI/API RECOMMENDED PRACTICE 571 THIRD EDITION, MARCH 2020
Microstructure and Creep Strength of Welds in Advanced Ferritic Power Plant Steels https://www.phase-trans.msm.cam.ac.uk/2002/papers/Abe.pdf
Failure Analysis of Abnormal Bulging and Cracking for High-Pressure Steam Pipe https://link.springer.com/article/10.1007/s11665-022-06799-0








Comments